摘 要:橫梁與
立柱的連接設計對幕墻的安全使用起著關鍵作用。本文從抗扭、擾彎的角度,對橫梁與立柱的
連接件螺栓、
角碼的受力,進行了初步的探討。
關鍵詞:螺栓;角碼;扭矩;
彎矩
一、引言
在幕墻的連接設計中,幕墻橫梁與立柱的連接,通常通過螺栓實現。在進行橫梁與立柱的設計中,通常情況下,計算中考慮了螺栓、角碼直接承受水平方向的
風荷載、
地震作用和豎向的自重
荷載。但是,結合工程實際情況,我們發現:(1)水平方向,連接螺栓并不是僅僅受水平風荷載、
地震荷載的純剪力,傳遞到連接螺栓、角碼的風荷載、地震作用,相對螺拴中心有偏心,從而產生扭矩,,連接螺栓應形成豎向剪力,形成抵
抗力偶。(2)豎向,幕墻
構件〔包括
面板、
框架)自身的重心,相對連接螺栓也有偏心,從而產生扭矩,連接螺栓相應形成豎向剪力,形成抵抗力偶。(3)對于橫梁角碼,除了端面承版,抗剪外,也存在作用力偏心,形成彎矩,從而產生
彎曲應力,相應螺栓也產生
拉應力。因此,幕墻橫梁與立柱的連接設計可適當考慮其偏心產生的扭矩、彎矩對螺栓、角碼的影響,從而提高連接的
可靠性。
二、螺栓的受力分析
在橫梁和立柱的連接中,螺栓〔本文以兩個螺栓為例)可從抗剪、抗拉兩方面進行校核。
(一)螺栓抗剪計算
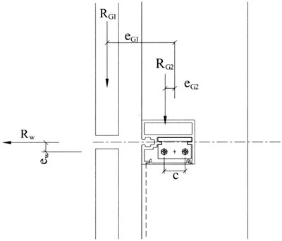
螺栓抗剪受力簡圖見圖l。

圖中:
R
Gl為幕墻面板自重;
R
G2為幕墻橫梁自重;
R
W為風荷載、地震作用;
e
Gl為幕墻面板重心到螺栓中心的距離;
e
G2二為幕墻橫梁重心到螺栓中心的距離;
e
W為幕墻橫向分格線到螺栓中心的距離;
c為螺栓中心間距。
(1)螺栓的水平直接受力計算
螺栓橫向承受風、地震荷載R
W,單個螺栓受力V
W=R
W/2。
(2)螺栓的豎向直接受力計算
螺栓豎向承受幕墻構件的重力R
Gl+ R
G2,單個螺栓的豎向受力V
C=(R
G1+R
G2)/2
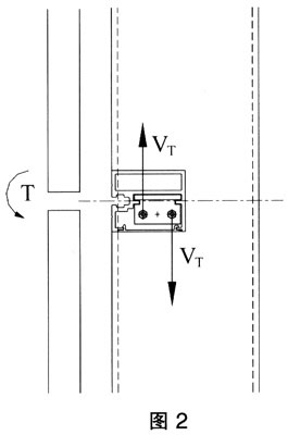
(3)螺栓由于荷載偏心而產生的剪力計算
受力簡圖如圖2所示:

上一頁123下一頁